





titanik71 писал(а):Ключ с памятью+PC Keyboard от RU3GA ... Печатную одностороннею плату могу изготовить (желательно в формате DipTrace).


UA4NDX писал(а):Олег,спасибо за предложение. Вот поиском нашёл : http://rcwc.ru/obor/1604-elektronnyy-te ... a4nal.html или уж к автору коррекции : http://ra4nal.qrz.ru/cwkey.shtml Николай- наш ,Кировский , уж он то лажу не подсунет... (хотя и на макетке одноразовые устройства нормально работают) А так можно скооперироваться !



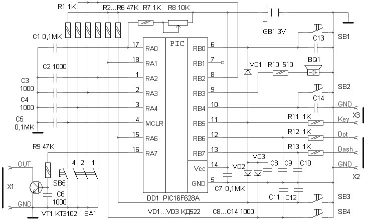
titanik71 писал(а):Плата от RA4NAL в формате Sprint Layout 4.0



UA4NDX писал(а):Алми-229 руб , Орион - 194 руб






R4NX писал(а):Юра,Аурдино конечно хорошо....НО вопрос-то был - электронный ключ с памятью...
Ну и на кой мне ентот аурдино...

 
Сейчас этот форум просматривают: нет зарегистрированных пользователей и гости: 8
| 
 |