Компенсатор потерь КП-101-12. Фото внутренностей.

Трансиверы для работы на КВ и УКВ. Обсуждение, отзывы, доработки. Дополнительное оборудование: тюнеры, блоки питания, поворотные устройства и т.д...

Компенсатор потерь КП-101-12. Фото внутренностей.

Сообщение Toni » 02 июн 2013, 18:23

Возникла необходимость уменьшить чувствительность схемы включения усилителя, заодно сделал несколько фотографий внутренностей зверька.
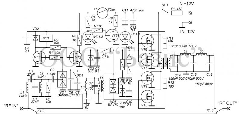
Схема
picture_picblock_a_3.jpg

Для уменьшения чувствительности увеличил номинал резистора R1 до 43 кОм (какой нашёл такого же размера). В новых партиях это должно быть исправлено.

Фото внутренностей
DSC_1081.JPG

DSC_1078.JPG

DSC_1077.JPG

DSC_1087.JPG

DSC_1089.JPG

DSC_1087.JPG

DSC_1095.JPG


Транзисторы применены типа IRF520 или подобные. Смещение на тразисторы подаётся общее, поэтому о "красоте" выходного сигнала говорить не приходится (врядли транзисторы подбираются, максимум это экземпляры из одной партии). Что положительно отличает Воронежский усилитель от подобных итальянских, дак это наличие ФНЧ на выходе.
Есть также защита от перегрева. Со слов UD4NAN усилитель при работе до отключения по перегреву терпел около часа (если не ошибаюсь).
DSC_1096.JPG

При раскачке в 5 Ватт, и 13,5 В в рабочей полосе частот, на эквиваленте выдаёт около 60 Ватт, при 10 Ваттах - на выходе заявленные 100 Ватт. Потребляемый ток и ток покоя, к сожалению, не померил. Знающие подскажите.
Более менее работает до 20 Мгц ниже резкий завал, видимо сказывается наличие П контура перед входным трансформатором.
Габаритные размеры не большие, сама платка так вообще показалась малюсенькой.
Toni
Администратор
 
Сообщения: 977
Зарегистрирован: 20 ноя 2012, 20:38
Откуда: Киров
Благодарил (а): 290 раз.
Поблагодарили: 465 раз.
Позывной: RA4NHY
Оборудование: IC-7100, 5/8 27МГц, 4 эл 144
Баллы репутации: 56

Re: Компенсатор потерь КП-101-12. Фото внутренностей.

Сообщение R4NX » 02 июн 2013, 18:53

Антон,какими модами работал на сём девайсе?На каких частотах?
Или только на СВ?
Мне интересно как он поведет себя в CW и SSB с FT-817.
Oleg R4NX
RCWC # 13
Аватара пользователя
R4NX
 
Сообщения: 771
Зарегистрирован: 15 дек 2012, 20:51
Откуда: Вятка
Благодарил (а): 89 раз.
Поблагодарили: 191 раз.
Позывной: R4NX
Оборудование: IC-706,IC-736
Баллы репутации: 18

Re: Компенсатор потерь КП-101-12. Фото внутренностей.

Сообщение Toni » 02 июн 2013, 20:37

R4NX писал(а):Антон,какими модами работал на сём девайсе?На каких частотах?
Или только на СВ?
Мне интересно как он поведет себя в CW и SSB с FT-817.

Он более менее отдаёт мощность до 20 Мгц. В CW работать будет, но придётся, скорее всего, увеличить ёмкость конденсатора в цепи включения усилителя на передачу С8, чтобы дольше оставался в режиме передачи. А лучше сделать принудительное включение. В SSB не пробовал.
Я на КВ с 817 использую kl203, правда без ФНЧ, для поля/командировки и так сойдёт)). Он без переделки входного трансформатора работает до 14 Мгц, и при раскачке в 5 ватт на этом диапазоне выдаёт 60 Ватт. После переделки вход транса УМ работает до 160 метров, и там с него снимают больше ста ватт. На сикьюхаме где-то тема про доработку есть.
Toni
Администратор
 
Сообщения: 977
Зарегистрирован: 20 ноя 2012, 20:38
Откуда: Киров
Благодарил (а): 290 раз.
Поблагодарили: 465 раз.
Позывной: RA4NHY
Оборудование: IC-7100, 5/8 27МГц, 4 эл 144
Баллы репутации: 56

Re: Компенсатор потерь КП-101-12. Фото внутренностей.

Сообщение R4NX » 03 июн 2013, 05:41

Toni писал(а):[
Он более менее отдаёт мощность до 20 Мгц.
Я на КВ с 817 использую kl203, правда без ФНЧ, для поля/командировки и так сойдёт)). Он без переделки входного трансформатора работает до 14 Мгц, После переделки вход транса УМ работает до 160 метров

Антон,чёй-то непонял немного! :)
Работает до 20мГц и другой до 14мГц.После переделки УМ начинает работать до 1,8 ....?
Тогда наверно будет правильней ОТ20 и ОТ14мГц?
И в коротенько,в чем суть переделки?
Oleg R4NX
RCWC # 13
Аватара пользователя
R4NX
 
Сообщения: 771
Зарегистрирован: 15 дек 2012, 20:51
Откуда: Вятка
Благодарил (а): 89 раз.
Поблагодарили: 191 раз.
Позывной: R4NX
Оборудование: IC-706,IC-736
Баллы репутации: 18

Re: Компенсатор потерь КП-101-12. Фото внутренностей.

Сообщение Toni » 03 июн 2013, 12:57

Неудачно выразился, имел в виду до 20 МГц вниз от номинальной рабочей частоты. То есть КПшка работает примерно от 20 до 30. КЛ от 14 до 30. Насколько помню в итальянском усе переделывают входной транс. Буду у компа напишу ссылку, с телефона неудобно...
Toni
Администратор
 
Сообщения: 977
Зарегистрирован: 20 ноя 2012, 20:38
Откуда: Киров
Благодарил (а): 290 раз.
Поблагодарили: 465 раз.
Позывной: RA4NHY
Оборудование: IC-7100, 5/8 27МГц, 4 эл 144
Баллы репутации: 56

Re: Компенсатор потерь КП-101-12. Фото внутренностей.

Сообщение Toni » 03 июн 2013, 19:56

Ссылку на доработку оставил в теме про итальянский усилок.
Toni
Администратор
 
Сообщения: 977
Зарегистрирован: 20 ноя 2012, 20:38
Откуда: Киров
Благодарил (а): 290 раз.
Поблагодарили: 465 раз.
Позывной: RA4NHY
Оборудование: IC-7100, 5/8 27МГц, 4 эл 144
Баллы репутации: 56


Вернуться в Радиолюбительское оборудование

Сейчас на конференции

Сейчас этот форум просматривают: нет зарегистрированных пользователей и гости: 2

cron
Яндекс.Метрика